EASA Image Gallery

M03-B1B2-Electrical Fundamentals

Figure 12-18. Generator characteristics.
Figure 12-18. Generator characteristics.
161
Figure 12-19. Armature reaction.
Figure 12-19. Armature reaction.
162
Figure 12-20. Simple two-pole generator with two interpoles.
Figure 12-20. Simple two-pole generator with two interpoles.
163
Figure 12-21. Force on a current carrying wire.
Figure 12-21. Force on a current carrying wire.
164
Figure 12-22. Fields surrounding parallel conductors.
Figure 12-22. Fields surrounding parallel conductors.
165
Figure 12-23. Developing a torque.
Figure 12-23. Developing a torque.
166
Figure 12-24. Right-hand motor rule.
Figure 12-24. Right-hand motor rule.
167
Figure 12-25. Torque on a coil at various angles of rotation.
Figure 12-25. Torque on a coil at various angles of rotation.
168
Figure 12-26. Basic DC motor operation.
Figure 12-26. Basic DC motor operation.
169
Figure 12-27. Cutaway view of practical DC motor.
Figure 12-27. Cutaway view of practical DC motor.
170
Figure 12-28. Commutator and brushes.
Figure 12-28. Commutator and brushes.
171
Figure 12-29. Series motor.
Figure 12-29. Series motor.
172
Figure 12-30. Shunt motor.
Figure 12-30. Shunt motor.
173
Figure 12-31. Compound motor.
Figure 12-31. Compound motor.
174
Figure 12-32. Load characteristics of DC motors.
Figure 12-32. Load characteristics of DC motors.
175
Figure 12-33. Split field series motor.
Figure 12-33. Split field series motor.
176
Figure 12-34. Switch method of reversing motor direction.
Figure 12-34. Switch method of reversing motor direction.
177
Figure 12-35. Shunt motor with variable speed control.
Figure 12-35. Shunt motor with variable speed control.
178
Figure 12-36. Controlling the speed of a series DC motor.
Figure 12-36. Controlling the speed of a series DC motor.
179
Figure 12-37. Typical starter generator.
Figure 12-37. Typical starter generator.
180
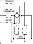
Figure 12-38. Starter generator internal circuit.
Figure 12-38. Starter generator internal circuit.
181
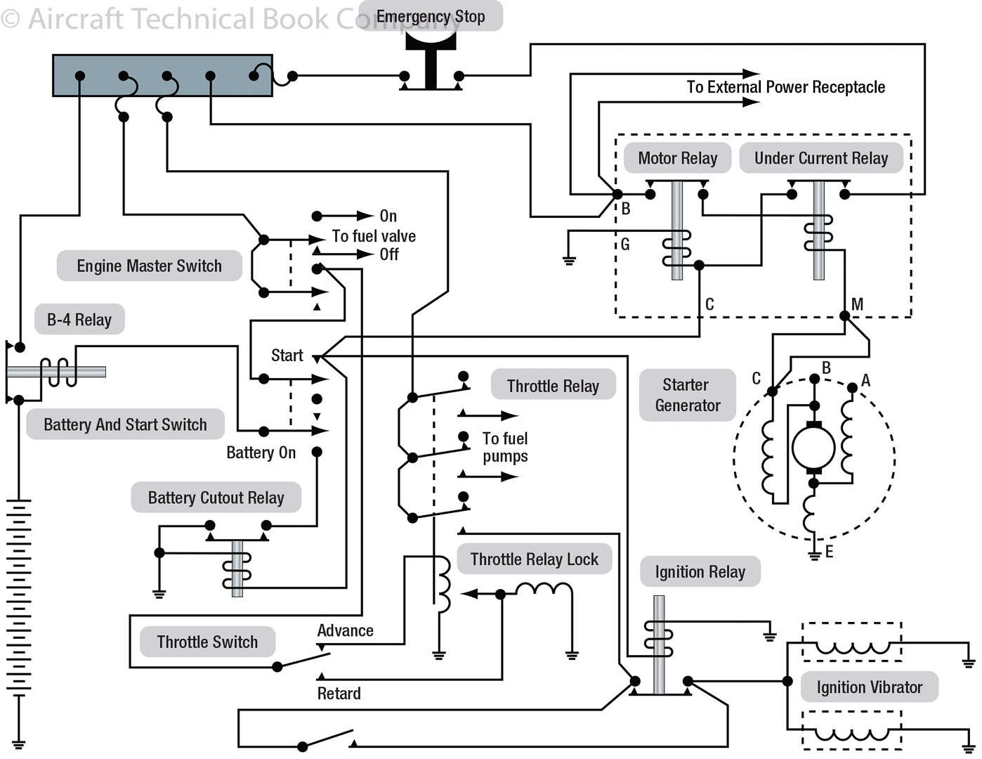
Figure 12-39. Starter generator circuit.
Figure 12-39. Starter generator circuit.
182
Figure 12-40. Starter generator starting system troubleshooting procedures.
Figure 12-40. Starter generator starting system troubleshooting procedures.
183
Figure 13-1. DC and AC voltage curves.
Figure 13-1. DC and AC voltage curves.
184
Figure 13-2. Cycle of voltage.
Figure 13-2. Cycle of voltage.
185
Figure 13-3. Frequency in cycles per second.
Figure 13-3. Frequency in cycles per second.
186
Figure 13-4. In phase and out of phase conditions.
Figure 13-4. In phase and out of phase conditions.
187
Figure 13-5. Peak‑to‑peak (pk‑pk) is the difference between the maximum positive and the maximum negative amplitudes of a waveform.
Figure 13-5. Peak‑to‑peak (pk‑pk) is the difference between the maximum positive and the maximum negative amplitudes of a waveform.
188
Figure 13-6. Computing average power by determining instantaneous values.
Figure 13-6. Computing average power by determining instantaneous values.
189
Figure 13-7. Various wave shapes may be formed by repeated changes in voltage or current.
Figure 13-7. Various wave shapes may be formed by repeated changes in voltage or current.
190
Figure 13-8. Voltage Waveform produced in three-phase AC power source.
Figure 13-8. Voltage Waveform produced in three-phase AC power source.
191
Figure 14-1. Impedance triangle.
Figure 14-1. Impedance triangle.
192
Figure 14-2. Applying DC and AC to a circuit.
Figure 14-2. Applying DC and AC to a circuit.
193
Figure 14-3. A circuit containing resistance and inductance.
Figure 14-3. A circuit containing resistance and inductance.
194
Figure 14-4. A circuit containing resistance and capacitance.
Figure 14-4. A circuit containing resistance and capacitance.
195
Figure 14-5. A circuit containing resistance, inductance, and capacitance.
Figure 14-5. A circuit containing resistance, inductance, and capacitance.
196
Figure 14-6. AC parallel circuit containing inductance and resistance.
Figure 14-6. AC parallel circuit containing inductance and resistance.
197
Figure 14-7. A parallel AC circuit containing capacitance and resistance.
Figure 14-7. A parallel AC circuit containing capacitance and resistance.
198
Figure 14-8. A parallel resonant circuit.
Figure 14-8. A parallel resonant circuit.
199
Figure 14-9. Phase angle is shown as the difference between leading and lagging waves.
Figure 14-9. Phase angle is shown as the difference between leading and lagging waves.
200