EASA Image Gallery

M03-B1B2-Electrical Fundamentals

Figure 6-6. Kirchhoff’s voltage law.
Figure 6-6. Kirchhoff’s voltage law.
41
Figure 6-7. Determine the unknown voltage drop.
Figure 6-7. Determine the unknown voltage drop.
42
Figure 6-8. Determine the unknown voltage drop.
Figure 6-8. Determine the unknown voltage drop.
43
Figure 6-9. A voltage divider circuit.
Figure 6-9. A voltage divider circuit.
44
Figure 6-10. A typical voltage divider.
Figure 6-10. A typical voltage divider.
45
Figure 6-11. Positive and negative voltage on a voltage divider.
Figure 6-11. Positive and negative voltage on a voltage divider.
46
Figure 6-12. Current flow through a voltage divider.
Figure 6-12. Current flow through a voltage divider.
47
Figure 6-13. Voltage divider with changed ground.
Figure 6-13. Voltage divider with changed ground.
48
Figure 6-14. Network of three resistors and one voltage source.
Figure 6-14. Network of three resistors and one voltage source.
49
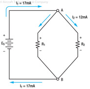
Figure 6-15. Kirchhoff’s current law.
Figure 6-15. Kirchhoff’s current law.
50
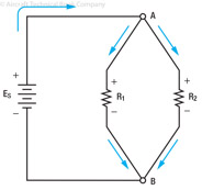
Figure 6-16. Basic parallel circuit.
Figure 6-16. Basic parallel circuit.
51
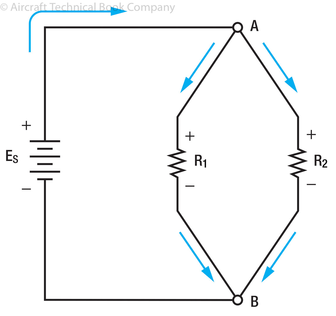
Figure 6-17. Individual branch currents.
Figure 6-17. Individual branch currents.
52
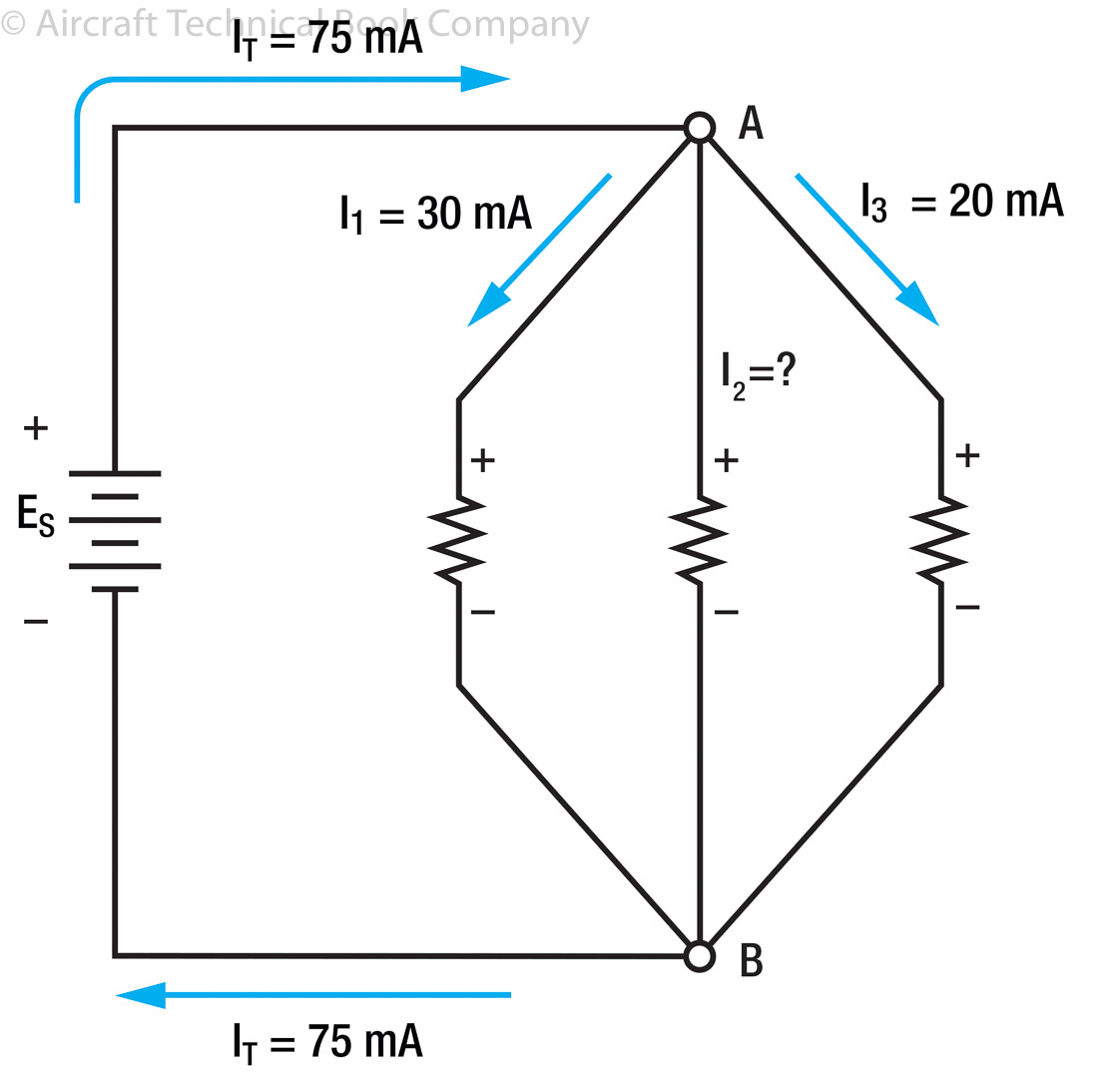
Figure 6-18. Determining an unknown circuit in branch 2.
Figure 6-18. Determining an unknown circuit in branch 2.
53
Figure 6-19. Series-parallel circuits.
Figure 6-19. Series-parallel circuits.
54
Figure 6-20. Equivalent circuit with three series connected resistors.
Figure 6-20. Equivalent circuit with three series connected resistors.
55
Figure 6-21. Determining total resistance.
Figure 6-21. Determining total resistance.
56
Figure 6-22. Determining total resistance.
Figure 6-22. Determining total resistance.
57
Figure 6-23. Internal resistance of a battery.
Figure 6-23. Internal resistance of a battery.
58
Figure 7-1. Voltage vs current in a constant-resistance circuit.
Figure 7-1. Voltage vs current in a constant-resistance circuit.
59
Figure 7-2. Ohm’s law chart.
Figure 7-2. Ohm’s law chart.
60
Figure 7-3. Resistance varies with length of conductor.
Figure 7-3. Resistance varies with length of conductor.
61
Figure 7-4. Resistivity table.
Figure 7-4. Resistivity table.
62
Figure 7-5. Conversion table when using copper conductors.
Figure 7-5. Conversion table when using copper conductors.
63
Figure 7-6. Fixed resistor schematic.
Figure 7-6. Fixed resistor schematic.
64
Figure 7-7. Wire wound resistors.
Figure 7-7. Wire wound resistors.
65
Figure 7-8. End to center band marking.
Figure 7-8. End to center band marking.
66
Figurer 7-9. Resistor color code.
Figurer 7-9. Resistor color code.
67
Figure 7-10. Resistor color code example.
Figure 7-10. Resistor color code example.
68
Figure 7-11. Resistor color code example.
Figure 7-11. Resistor color code example.
69
Figure 7-12. Resistor with two percent tolerance.
Figure 7-12. Resistor with two percent tolerance.
70
Figure 7-13. Resistor with black third color band.
Figure 7-13. Resistor with black third color band.
71
Figure 7-14. Resistor with gold third band.
Figure 7-14. Resistor with gold third band.
72
Figure 7-15. Resistor with a silver third band.
Figure 7-15. Resistor with a silver third band.
73
Figure 7-16. Calculations of resistance for resistors in series.
Figure 7-16. Calculations of resistance for resistors in series.
74
Figure 7-17. Calculations of resistance for resistors in parallel.
Figure 7-17. Calculations of resistance for resistors in parallel.
75
Figure 7-18. Calculations of resistance in circuits containing combinations of series and parallel paths.
Figure 7-18. Calculations of resistance in circuits containing combinations of series and parallel paths.
76
Figure 7-19. Rheostat schematic symbol.
Figure 7-19. Rheostat schematic symbol.
77
Figure 7-20. Rheostat connected in series.
Figure 7-20. Rheostat connected in series.
78
Figure 7-21. Potentiometer schematic symbol.
Figure 7-21. Potentiometer schematic symbol.
79
Figure 7-22. Potentiometer and schematic.
Figure 7-22. Potentiometer and schematic.
80